当前,全球有超 10 亿人口正饱受电网供电不稳的困扰,这些人群主要集中在南亚、东南亚、西非、南美等地区。而光储柴微电网系统凭借灵活性突出、适应性强劲、性价比优越以及能降低对传统电网依赖等显著优势,必将在全球市场中扮演关键角色。
k8凯发Power Hive光储柴一体化解决方案通过创新技术实现全球工商业储能场景的智能化应用。该系统具备标准化接口,可实现光伏、柴发、电网、储能、负荷的便捷接入,支持并离网无缝切换,既能在离网模式下稳定带载连续运行,也能在并网状态下依据峰谷电价灵活调控,同时配备防逆流功能,保障系统安全高效。
远程搭载的 AI 智眸系统,可实现全球范围的数据接入,通过全景式主动在线监测与智能调度,让系统运维更精准、高效。在核心技术上,系统采用智能化主动均衡技术,将使用寿命延长 20%。在安装部署层面,实现 100% 预装运输,设备到站后无需复杂调试,仅需简单安装即可直接上电运行,真正做到 “即装即用”,大幅降低部署成本与时间成本。
k8凯发SDC-C&I-A215MG 光储柴并离网一体柜,以全模块化架构实现设计革新。通过高度集成的标准化柜体,设备将锂电池组、智能光伏MPPT控制器、双向储能变流器(PCS)、静态转换开关(STS)、能量管理系统(EMS)、热管理系统及消防系统完美整合,构建起高效协同的光柴储微电网一体机,为复杂场景提供端到端的智慧能源解决方案。
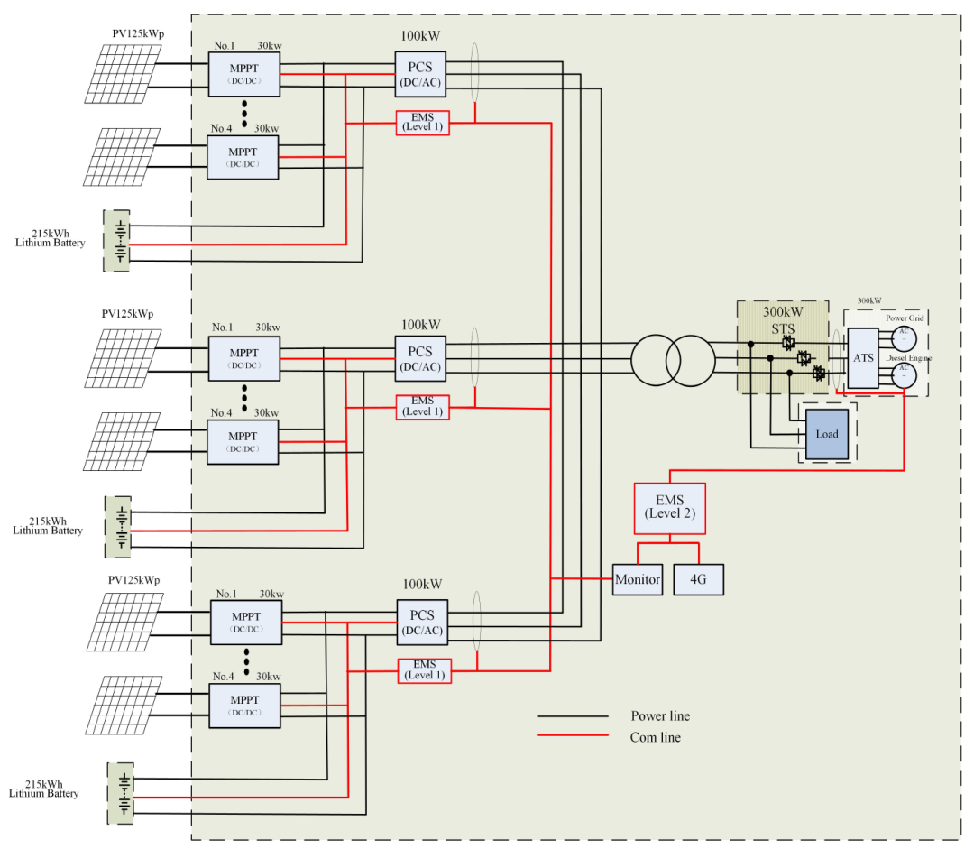
光储柴微网100kW/215kWh储能系统拓扑示意图
针对兆瓦级扩容需求,系统采用“标准电池柜+混合逆变器柜”的设计形式,配置标准化柴发接口和市电接口,支持并离网毫秒级无缝切换,切换时间≤20ms,内置隔离变增强系统稳定性和兼容性。在离网运行模式下,最大支持5台并机运行,形成1075kWh超大容量储能系统。针对1MWh以上商业级应用,可通过1MWh标准子阵无缝并联,实现“积木式”灵活扩容。
光储柴微网430kWh/645kWh/860kWh/1075kWh储能系统拓扑示意图
k8凯发Power Hive光储柴一体化解决方案还搭载最新的“AI智眸系统”,可实现多层级多维度故障预警、风险预判、AI算法精准定位故障、电池状态估计、智能运维、智能分级补电、自动收益测算、基于Deepseek大语言模型智能客服等功能,故障预警准确率99%以上。
.jpg)
k8凯发 Power Hive 光储柴方案,以技术突破与智能体验,为全球电力不稳定地区提供可靠解方案,加速普及化供电目标实现,赋能可持续能源未来。
扫描关注k8凯发(中国)天生赢家·一触即发
扫描关注k8凯发(中国)天生赢家·一触即发