k8凯发(中国)天生赢家·一触即发
中文版
中文版
English
Español
Français
русский
Deutsch
Tiếng Việt
k8凯发(中国)天生赢家·一触即发的业务
|
通信储能
数据中心
电力储能
其他场景
k8凯发(中国)天生赢家·一触即发的公司
|
集团简介
企业文化
发展历程
k8凯发(中国)天生赢家·一触即发的创新
k8凯发(中国)天生赢家·一触即发的荣誉
k8凯发(中国)天生赢家·一触即发的品质
社会责任
环保信息
k8凯发(中国)天生赢家·一触即发的服务
|
合作客户
联系k8凯发(中国)天生赢家·一触即发
新闻中心
|
公司新闻
展会预告
宣传资料
在线招聘
|
热招职位
校园招聘
学习与培训
投资者关系
|
公告及通函
网上展厅
环保信息
当前位置:
首页
>
k8凯发(中国)天生赢家·一触即发的公司
>
环保信息
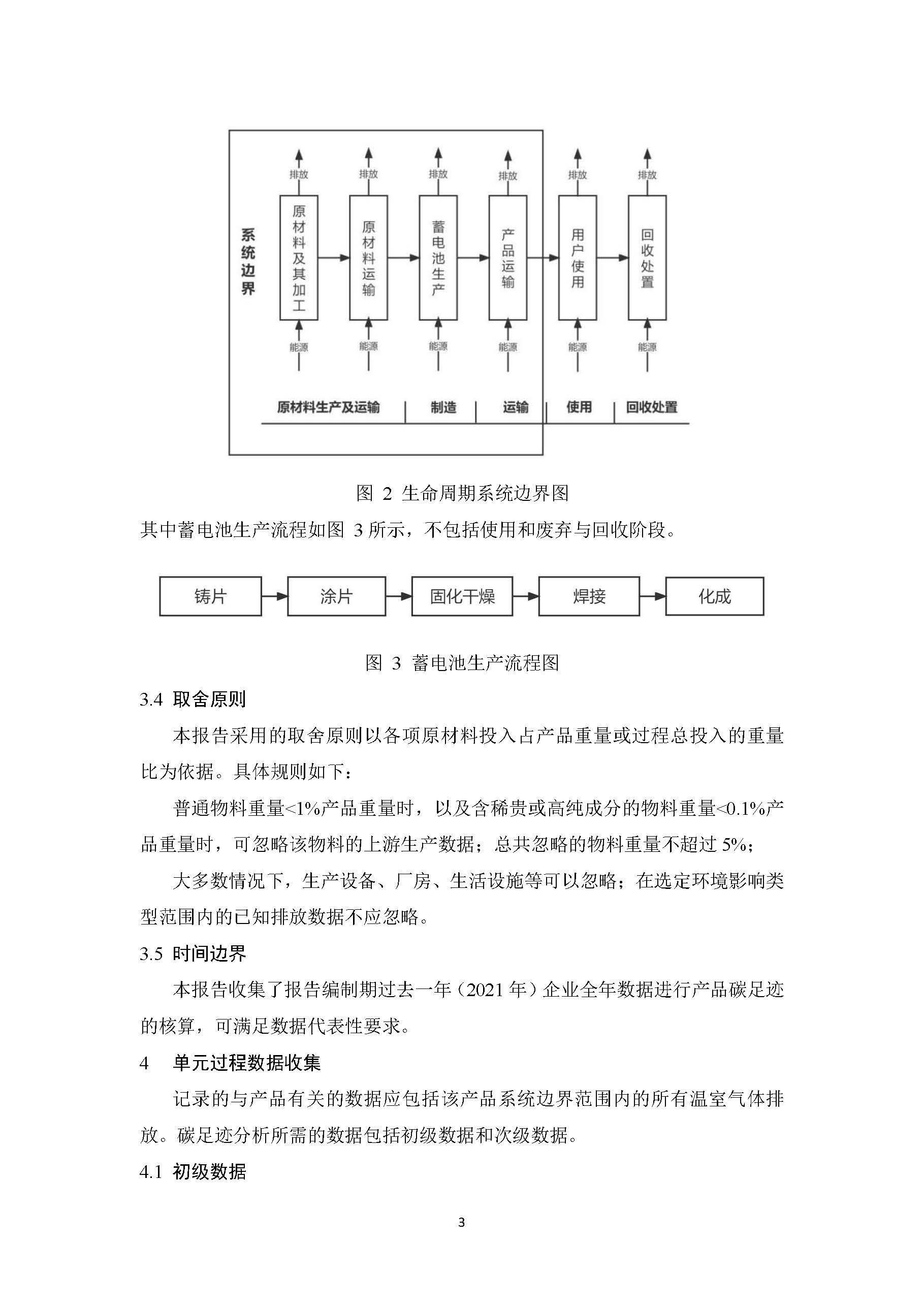
> 湖北k8凯发润阳新能源有限公司碳足迹报告
湖北k8凯发润阳新能源有限公司碳足迹报告
2022-06-17 09:11:54 来源: k8凯发集团
Copyright © 2017 k8凯发集团股份有限公司 版权所有 客服热线 400-889-9886
扫描关注k8凯发(中国)天生赢家·一触即发
的中文微信
扫描关注k8凯发(中国)天生赢家·一触即发
的英文微信